Alamat
No 1, Jalan Yd, Daerah Huishan, Bandar Wuxi, Jiangsu. 214183
Waktu Kerja
Isnin hingga Jumaat: 9AM - 5PM
Sabtu: 9AM - 4PM



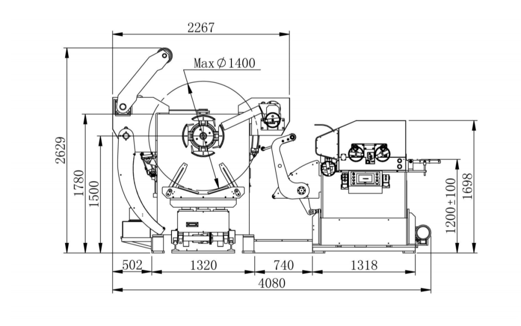
Pengumpan Pelurus Uncoiler ialah mesin bersepadu yang digunakan secara meluas untuk industri penebuk. Mesin ini mudah untuk memasukkan gegelung/bahan ke dalam mesin penebuk dengan jejak yang kecil, operasi yang mudah dan ciri-ciri lain. Dan boleh dipasang dengan kereta gegelung untuk memudahkan pemuatan gegelung.


Syarikat Percaya Industri menawarkan pelbagai jenis penyuap pelurus uncoiler untuk aplikasi yang berbeza. Hubungi kami sekarang untuk maklumat lanjut. atau Whatsapp secara langsung.
